首页 > 装修攻略 > 装修前 > 设计 > 装修前 > 35万装修61㎡不规则户型,阳光房、三分离卫生间、咖啡馆……值了!

35万装修61㎡不规则户型,阳光房、三分离卫生间、咖啡馆……值了!

百安居

35万装修61㎡不规则户型,阳光房、三分离卫生间、咖啡馆……值了! 本案房屋是一套坐落于顶层的小户型,和分布在这个城市各处的类似户型一样,不规则的层高和纵横交错的大梁为设计带来诸多限制。 纵横交错的大梁 然而,设计师peter却利...

35万装修61㎡不规则户型,阳光房、三分离卫生间、咖啡馆……值了!
本案房屋是一套坐落于顶层的小户型,和分布在这个城市各处的类似户型一样,不规则的层高和纵横交错的大梁为设计带来诸多限制。

35万装修61㎡不规则户型,阳光房、三分离卫生间、咖啡馆……值了!

纵横交错的大梁

然而,设计师peter却利用这个“限制”,结合“登高望远”的天然优势,为业主黄女士一家三口打造了这个开放式的“阳光房”!


改造后空间

房屋信息
使用面积:61㎡(改造前使用面积50㎡)
成员结构:一家三口
房屋风格:现代简约
设计施工:犀宅原创设计—陈龙Peter
半包费用:12W
总造价:35W(含设备、家具、电器)

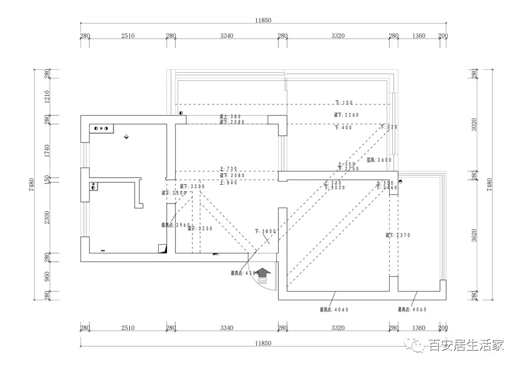
35万装修61㎡不规则户型,阳光房、三分离卫生间、咖啡馆……值了!

原始户型图

原始户型存在的问题:
1.不规则的层高和纵横交错的大梁,使得空间更显压抑;
2.卫生间没有干湿分离,不能满足一家三口同时使用;
3.阳台空间狭窄,利用率极低,且还漏水;
4.露台被空置,使用频率低。

35万装修61㎡不规则户型,阳光房、三分离卫生间、咖啡馆……值了!

改造后户型图

如何解决原始户型的问题:
1.将能拆除的梁都拆除掉,并充分利用入户层高打造了一间储物+休闲一体的阁楼;
2.敲掉阳台和露台多余的门窗,打造开放式的布局,并配合天窗的设计,呈现出一间玻璃阳光房;
3.卫生间重新布局,并把干区挪到过道上,形成了三分离;
4.将露台纳入室内,改成阳光客厅,扩大了使用面积。

入 户

改造前的玄关
最大的问题就是顶部的层高和错综复杂的梁了,让人一进门就感觉十分压抑。

35万装修61㎡不规则户型,阳光房、三分离卫生间、咖啡馆……值了!


改造后的玄关
入户门处其实是全屋最高点,层高达到4米2,于是设计师将能拆除的梁都进行了拆除,并利用层高打造出了一个小复式结构,结合鞋柜、储物间、休闲区将这个入户空间充分利用。

35万装修61㎡不规则户型,阳光房、三分离卫生间、咖啡馆……值了!


在入门处还安装了一个白色的暖气片,嵌入式的设计,不仅节约了空间,而且与墙面融为一体更加美观大方。

35万装修61㎡不规则户型,阳光房、三分离卫生间、咖啡馆……值了!


入户的阁楼
玄关上方的阁楼被打造成集储物区、休闲区于一体的功能空间,白色的面板、木色的楼梯、黑色的钢制扶手,让整个阁楼简约大方,同时也打破了空间的单调性。

35万装修61㎡不规则户型,阳光房、三分离卫生间、咖啡馆……值了!


平日男主人可以在阁楼办公,女主人在餐厨区看书,既能相互沟通,又有彼此独立的空间,温馨又惬意!

35万装修61㎡不规则户型,阳光房、三分离卫生间、咖啡馆……值了!
35万装修61㎡不规则户型,阳光房、三分离卫生间、咖啡馆……值了!


餐 厨

改造后的餐厨+阳台
改造前的阳台非常狭窄,而且都是用来放置杂物的,利用率非常低;与客厅还隔着一扇玻璃推拉门,让空间显得很拥挤。

35万装修61㎡不规则户型,阳光房、三分离卫生间、咖啡馆……值了!


改造前的厨房呈L型布局,但管道、电线的裸露让整个空间显得更加凌乱和陈旧。

35万装修61㎡不规则户型,阳光房、三分离卫生间、咖啡馆……值了!


改造后的餐厨
设计师将阳台的玻璃门进行拆除,做了一个开放式的餐厨空间,整个空间看起来更加的明亮通透了。

35万装修61㎡不规则户型,阳光房、三分离卫生间、咖啡馆……值了!


除此之外,由于原本的阳台是廉价还漏水的夹心板,设计师将其拆除,并换成了通透的双层钢化玻璃。不仅拥有了充足的阳光,而且女主人夜晚在这做饭还能时不时抬头仰望星空,非常浪漫。

35万装修61㎡不规则户型,阳光房、三分离卫生间、咖啡馆……值了!


厨房没有选择传统的灶具+油烟机的结合,而是选择了集成灶,大大节约了厨房空间,与整体风格保持了统一;而且由于抽风口离锅子更近,油烟也能很快就被吸收走,大大解决开放式厨房带来的油烟问题。

35万装修61㎡不规则户型,阳光房、三分离卫生间、咖啡馆……值了!


由于这根柱子是承重的,无法拆除,设计师将其刷上了黑板漆,每日更换的COFFEE MENU成就家人间的小情趣。咖啡机放在此处,结合艺术墙和厨房操作台,打造了一个浪漫的咖啡厅。

35万装修61㎡不规则户型,阳光房、三分离卫生间、咖啡馆……值了!


客 厅

客厅原来的位置是露台,但被上家搭建成了一个次卧,设计师将其敲掉,并与厨房空间一样,换成了通透的双层钢化玻璃,天窗的设计,为室内带来了充沛的阳光。

35万装修61㎡不规则户型,阳光房、三分离卫生间、咖啡馆……值了!


浅灰色的双人沙发,小巧精致的折叠茶几,浅色系的地毯,让会客区变得轻松又温情。

35万装修61㎡不规则户型,阳光房、三分离卫生间、咖啡馆……值了!


主 卧

电视背景墙做了一扇隐形门,打开是主卧的空间。为保证墙面的统一性,隐形门也被刷上了艺术漆,统一又充满质感。

35万装修61㎡不规则户型,阳光房、三分离卫生间、咖啡馆……值了!


为打破卧室空间的单调性,设计师在进门的右边边刷上了深褐色的漆,层次感和新鲜感十足。在衣柜门处,设计师还嵌入了轨道式的铁艺楼梯,既可以用来放置随身脱下的衣物,又能装饰空间,让空间变得更加活泼有趣。

35万装修61㎡不规则户型,阳光房、三分离卫生间、咖啡馆……值了!


设计师将主卧阳台纳入到空间中,并做了拱形门的设计,让阳台成为绝美的框景。浅蓝色的休闲椅放于此,为女主人提供了一个慵懒随意的休闲区,温馨又惬意。


35万装修61㎡不规则户型,阳光房、三分离卫生间、咖啡馆……值了!
35万装修61㎡不规则户型,阳光房、三分离卫生间、咖啡馆……值了!


次 卧

次卧是儿子的房间,面积不大,简单的用原木色饰面板和灯带做出层次。没有做常规的落地衣柜,而是用壁龛+收纳框的形式进行储物。

35万装修61㎡不规则户型,阳光房、三分离卫生间、咖啡馆……值了!
35万装修61㎡不规则户型,阳光房、三分离卫生间、咖啡馆……值了!
35万装修61㎡不规则户型,阳光房、三分离卫生间、咖啡馆……值了!


卫生间

改造前的卫生间
改造前的卫生间面积还是比较大的,但是没有做干湿分离,利用率并不是很高,在一定程度上造成了空间的浪费。

35万装修61㎡不规则户型,阳光房、三分离卫生间、咖啡馆……值了!


改造后的卫生间
为了扩大次卧,设计师借了一部分卫生间的空间,于是把干区挪到过道上,马桶间和淋浴间L型分布,形成各自独立的三分离形式,提高空间利用率的同时增加实用性。

35万装修61㎡不规则户型,阳光房、三分离卫生间、咖啡馆……值了!


马桶区采用的是推拉门的设计,更加节省空间。智能马桶也让小小的空间保证了清爽干净。

35万装修61㎡不规则户型,阳光房、三分离卫生间、咖啡馆……值了!


在馥郁的咖啡香气中,享受晨起的风,日暮后的霓虹,夜晚的星空。家,就是如此,简单又温馨!


本案由设计师提供,拥有版权
未经授权,请勿转载

找装修 选材料  百安居正品保障  家装 · 建材 一站式解决方案
请选择城市
免费预约